大学入学共通テスト(理科) 過去問
令和5年度(2023年度)追・再試験
問71 (物理(第2問) 問4)
問題文
次の会話文の内容が正しくなるように、空欄( A )に入れる語句または図として最も適当なものを、選択肢のうちから一つ選べ。
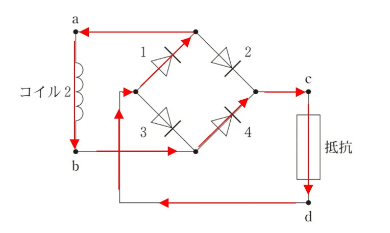
Aさん:複数個のダイオードを使った図6のような回路もあるみたいだね。複雑だけど、電流はどのように流れているの?
Bさん:例えば、コイル2に誘導起電力が生じ、点bからダイオードに向かって電流が流れる場合を考えよう。このとき、電流は点bから( A )を順に通って点bに戻ってくるんだ。点aの電位が高い場合についても、同じように考えればいいんだ。
Aさん:それでは、抵抗で消費される電力はどうなっているんだろう?
Bさん:点ab間の電圧波形が図5となるとき、抵抗で消費される電力の時間変化は( B )のようになるよ。
Aさん:ダイオードにはこんな使い方があるんだね。抵抗の代わりにバッテリーを回路につなげば、送った電力でスマホを充電できそうだね。
このページは閲覧用ページです。
履歴を残すには、 「新しく出題する(ここをクリック)」 をご利用ください。
問題
大学入学共通テスト(理科)試験 令和5年度(2023年度)追・再試験 問71(物理(第2問) 問4) (訂正依頼・報告はこちら)
次の会話文の内容が正しくなるように、空欄( A )に入れる語句または図として最も適当なものを、選択肢のうちから一つ選べ。
Aさん:複数個のダイオードを使った図6のような回路もあるみたいだね。複雑だけど、電流はどのように流れているの?
Bさん:例えば、コイル2に誘導起電力が生じ、点bからダイオードに向かって電流が流れる場合を考えよう。このとき、電流は点bから( A )を順に通って点bに戻ってくるんだ。点aの電位が高い場合についても、同じように考えればいいんだ。
Aさん:それでは、抵抗で消費される電力はどうなっているんだろう?
Bさん:点ab間の電圧波形が図5となるとき、抵抗で消費される電力の時間変化は( B )のようになるよ。
Aさん:ダイオードにはこんな使い方があるんだね。抵抗の代わりにバッテリーを回路につなげば、送った電力でスマホを充電できそうだね。
- ダイオード4、点c、点d、ダイオード3
- ダイオード4、点c、点d、ダイオード1、点a、コイル2
- ダイオード3、点d、点c、ダイオード4
- ダイオード3、点d、点c、ダイオード2、点a、コイル2
正解!素晴らしいです
残念...
この過去問の解説 (1件)
01
ダイオードの整流作用について問われています。
ダイオードは片方にしか電流が流れません(整流作用)。
ダイオードの向きを意識すると、bを出発しbに戻る経路は下図の赤線のようになります。
参考になった数0
この解説の修正を提案する
前の問題(問70)へ
令和5年度(2023年度)追・再試験 問題一覧
次の問題(問72)へ