大学入学共通テスト(理科) 過去問
令和4年度(2022年度)追・再試験
問3 (物理基礎(第1問) 問3(1))

このページは閲覧用ページです。
履歴を残すには、 「新しく出題する(ここをクリック)」 をご利用ください。

問題

大学入学共通テスト(理科)試験 令和4年度(2022年度)追・再試験 問3(物理基礎(第1問) 問3(1)) (訂正依頼・報告はこちら)

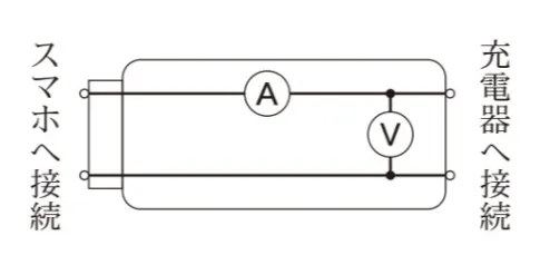
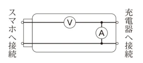
スマートフォン(スマホ)が、どのような電圧と電流で充電されているかを調べる機器(充電チェッカー)について考える。充電チェッカーは、図3のように充電器とスマホの間につないで使う。充電器の部分では、家庭用コンセントから得られる電気が交流から直流に変換される。
充電チェッカーの内部のしくみを簡略化して考えてみよう。充電に関係する本の導線だけに注目するとき、充電チェッカーの内部には、どのように電流計Aと電圧計Vが配置されていると考えればよいだろうか。
充電チェッカーの内部のしくみを表した模式図として最も適当なものを、次の選択肢のうちから一つ選べ。
問題文の画像
  • 解答選択肢の画像
  • 解答選択肢の画像
  • 解答選択肢の画像
  • 解答選択肢の画像
  • 解答選択肢の画像

次の問題へ

正解!素晴らしいです

残念...

この過去問の解説 (2件)

01

電流計は直列電圧計は並列につなぎます。

本問題ではスマホが充電できているかのチェックとのことなので、

スマホに対して電流計は直列電圧計は並列になっているものを選びましょう。

参考になった数0

02

電流計は直列電圧計は並列につなぐ必要があります。

選択肢1. 解答選択肢の画像

これが正解です。

参考になった数0